Welding Engineering 300

 

 

 

Arc Weld Processes

Due Date: by end of 2nd week 10 Points

 

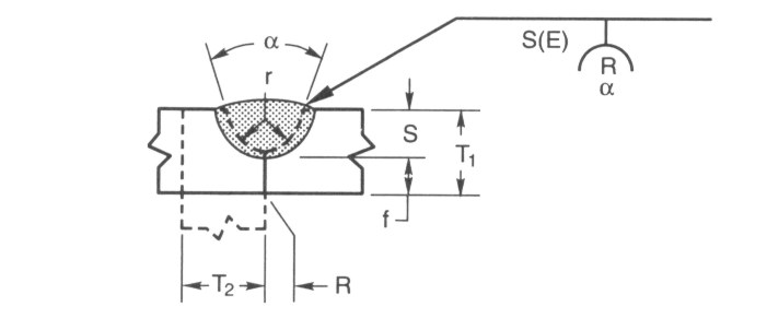
Given the following joint design to be welded in the Flat position:

With T1 & T2= 1/2 inch

F = 1/16 inch

R = 0 inch

r = 1/4 inch

a = 20o

What Arc Welding Process would you choose? Why

If the weld was to be made in the Horizontal Position, would that change your process decision? Why?